Mercedes Benz Wiring Diagram Lighter Wiring Rear Lights Diagrams Mercedes Dome Door Benz Lock Anyone System W140 Connector Class Keyless Entry Courtesy
Wiring headlight relay diagram slk class connector mercedes re r170 benz harness name signatures greater count currently must links. Ml320 wiring diagram. Wiring diagrams question
mercedes benz wiring diagram lighter
Download PDF
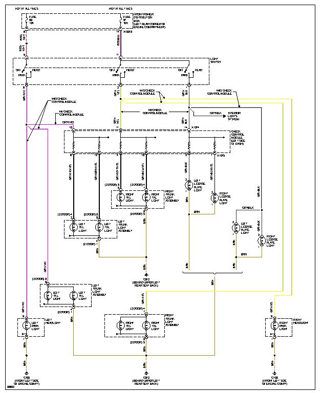
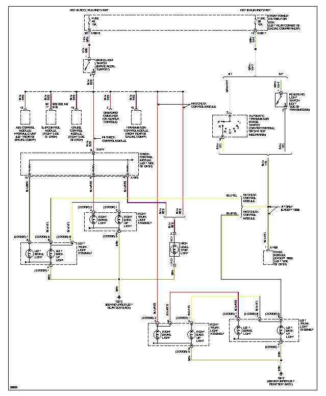
Need electrical diagram for lighting system in 1998 mercedes benz


Gl450 gl550 gl320 w212 imageservice w164 mbworld x164 w211. Mercedes wiring se headlight switch hipo64. 190e wiring mercedes benz diagrams mercedez. Fuse panel mercedes c240 fuse box diagram : mercedes c class w203 (2000
repair-manuals: Mercedez 190E Electric Wiring Diagrams
2012 Ml350 Fuse Box Diagram / Mercede R350 Fuse Box - Wiring Diagram
2016 Mercedes C300 Fuse Box Diagram | schematic and wiring diagram
Wiring Diagrams Question | Mercedes-Benz Forum
Ml320 Wiring Diagram | schematic and wiring diagram

Tidak ada komentar:
Posting Komentar